|
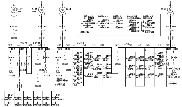
文摘:通过对建筑配电设备现状和电力管理系统需求的分析,提出了在建筑旧配电设备中安装电力管理系统的方法,包括方案配置、测量点选择、终端改造、数据通信、报表格式等。目的是为没有计量管理系统或只有电力监控系统的配电系统的用户提供参考。 关键词:旧建筑配电设备电能管理系统 引言 电能管理系统是一种自动化管理系统,可以根据用户的需要,实时收集和显示配电系统中各种电气设备消耗的电能,自动计算和处理,并总结分析报告。该系统可根据明插座、电源、空调、特殊电源分项计量电能,为企事业单位的电能管理和节能提供依据。 一配电设备现状 1某机关办公楼(以下简称“大楼”)基本情况 该建筑建于1997年,共23层,其中地下2层,地上21层。经过20多年的局部改造,总体分布如下:负2层为机动车停车位,负1层为非机动车停车位、配电室、水泵室等设备室;1~19层为建筑主体,主要为办公室,会议室(19层)、若干小型会议室、活动室、机房、食堂等;20层为电梯间,21层为中央空调及其配电室。 2配电系统简介 建筑配电室位于负层,高压配电室1间,低压配电室2间,双路10kV,4台变压器配电。其中,1#变压器和2#变压器通过母线槽分别馈电到单层和双层(包括照明、插座、空调等)。地板电源从母线槽引出,通过总配电箱和分配箱馈电到各电源终端;泵房、食堂、消防、电梯、排气等公共设施分布在1#变压器和2#变压器,由低压配电柜馈线单元直接供电。3#变压器和4#变压器通过母线槽给21层空调系统和19层会议室空调系统供电。 3配电系统图配电系统如图1所示。由于每个电路的电能都是在低压部分测量的,图中省略了高压配电部分。
二电能管理需求 1内部管理要求 全国各行各业都在采取节能措施,取得了进展。作为一个机构,要带头实践,按照公共机构节能条例和公共机构能耗统计制度的要求,对能耗进行测量和管理。然而,电力节能方案的实施和电力节能设备的广泛应用是否真的起到了节能的作用,并以合理的评价管理机制进行了科学的判断。电力管理系统为这种评价和判断提供了依据。建筑内的电气设备比较旧,经过多次改造调整。通过测量各种电气设备的能耗,建立电力管理系统的过程,可以对现有的配电线路进行梳理,消除一些运行隐患,使配电系统运行更好。电能管理系统的建立必须测量每个电路的电流、电压、功率和功率因数。通过这些电参数,配电系统的运行也可以监测,使配电系统运行更加可靠。 2电能管理要求 电能管理系统的作用是通过对用电设备消耗的电能进行分项计量,实现对内部电能消耗的深入监测和管理,从而达到节能增效的目的。 所谓分项计量,对于办公楼性质,至少要分别计量以下类别的用电设备耗电。 (1)照明插座用电:主要包括照明插座用电走廊和应急照明用电室外景观照明用电。 (2)空调用电:主要包括空调用电。 (3)动力用电:主要包括电梯用电、水泵用电、风机用电。 (4)特殊用电:主要包括信息室、厨房餐厅、活动室等特殊用电。 分项计量不仅要测量每个不同出线电路的功耗,还要分别测量同一电路中不同电气设备的功耗,充分查明配电电路的实际方向和连接的实际负载,选择合适的计量点,然后进行分项总结。 三电能管理系统结构及功能选择 1电能管理系统的一般结构和功能 电能管理系统通常采用分层分布式结构设计,即站控管理层、网络通信层和现场设备层,根据功能或区域进行模块化设计。硬件系统拓扑结构图如图2所示。
电能管理系统软件是现场设备层数据采集和过程控制的专用软件,具有灵活多样的“配置”而不是编程系统集成,提供良好的用户开发界面和简单的工程实现方法,只要预设各种软件模块简单“配置”,就可以轻松实现和完成监控层的功能。通常包括:系统配置软件、数据存储软件、电能管理软件、设备驱动软件和网络发布软件。例如,在分布式网络应用中,所有应用程序(如趋势曲线等)引用远程数据的方法与引用本地数据完全相同,通过“配置”大大缩短了自动化工程师的系统集成时间,提高了集成效率。 2电能管理系统与电力监控系统之间的关系 电能管理系统和电力系统需要通过测量终端测量相关电路的电参数,测量数据应自动采集、传输和存储,并通过不同的系统软件进行计算、显示、统计、总结、查询、报告、通知等。低压侧配电电路电参数的数据采集差别不大,但电力监控系统还需要采集高压侧进出电路的电参数、综合保护装置信息、高低压开关状态信息、关键连接点关键隔间的温湿度甚至环境温湿度等参数,对测量终端的附加功能要求较多。为了达到分项计量的目的,仅在配电室的低压侧测量低压出线的所有电参数是远远不够的,可能需要测量二级甚至***配电电路的电参数。具有充电功能的电能管理系统对测量终端的传感器和表计精度有一定的要求。因此,电能管理系统和电力监控系统通常不完全兼容。或者传统的电力监控系统不能满足电能管理的需要。 3电能管理系统的基本功能 用户权限、人机交互、电能统计报表、越限、故障报警、电能质量监测、网络发布功能、数据转发接口。 4项目的方案 本项目的基本目标是实现电能分项计量、自动抄表、显示负荷曲线、查阅任何历史数据、在任何时间段生成报告、向上级机关报告数据(在上级机关确定传输协议之前,系统预留接口)。安装电能管理系统本身就是通过系统管理发现电能使用不合理的环节,实施节能改造和行政干预,达到节能的目的。本项目涉及的配电设备相对较旧,继续使用寿命不会太长。无论成本如何,对现有配电设备进行更大的改造显然是不经济的。因此,本系统应简单、经济、施工简单,尽量不要对现有设备进行更大的改造。 测量点:低压进线测量4个,低压出线测量41个。为区分部分终端不同类型的电气设备,测量点如图1所示。 四方案实施 1站控管理层 站控管理层是配电网络的管理者,直接面向用户。该层也是系统的上层部分,主要由电力监控系统软件和必要的硬件设备组成。硬件包括工业控制器、打印机、UPS等;软件包括:系统组态软件、数据存储软件、电能管理应用软件。配电室值班室安装站控层设备。 2组网及通信 网络通信层主要由通信管理机、接口转换器件和总线网络组成。该层是数据和信息交换的桥梁。不同的接口转换器件提供RS232、RS422、RS485、SPABUS和以太网等接口。网络组合方式灵活,支持点对点通信、现场总线网络、以太网等类型的组态网络。 本项目通信管理机采用NPORT5410串口服务器,可连接4个RS485串口设备,提供简单方便的连接方式,既能***现有硬件资源,又能***未来网络扩展的可能性。 3电能报表 (1)常规电能报表 传统的电能报表内容与配电系统一致,显示整个建筑的总用电量、每个变压器的总用电量和每个低压出线电路的用电量。总表分表可通过本报表进行验证。 (2)分项电能报表
表1的格式是根据用电类型分项计量的报表,表中的数据是通过软件计算相关的表计数据。 (3)用电能报表内部评估
表2是根据建筑管理部门要求分类统计的报表格式,便于内部用电管理和节能评估。表中的数据是通过软件计算相关表计数据获得的。需要指出的是,软件中需要定制三种报表格式。 五安科瑞电能管理系统 1概述 Acrel-3000WEB电能管理解决方案通过对用户端用电情况的细分和统计,以直观的数据和图表向管理人员或决策层展示各种用电消耗情况,便于找出高能耗点或不合理的能耗习惯,节约用电,为用户进一步节能改造或设备升级提供准确的数据支持。 2应用场所 (1)办公建筑(商务办公、大型公共建筑等)); (2)商业建筑(商场、金融机构建筑等); (3)旅游建筑(酒店、娱乐场所等))); (4)科教文卫建筑(文化、教育、科研、医疗卫生、体育建筑等); (5)通信建筑(邮电、通信、广播、电视等)); (6)交通建筑(机场、车站、码头建筑等)。 3系统结构 4系统功能 实时监控、电能统计报告、详细电参查询、运行报告、变压器运行监控、实时提醒、历史事件查询 电能质量监控;遥控操作;用户权限管理;通信状态图;图片监控;用户报告;APP支持; 电力运维手机支持“监控系统”、“设备档案”、“待办”、“检查记录”和“缺陷记录”五个模块支持图纸、需求、功耗、视频、曲线、温湿度、同比、环比、电能质量、各种事件报警查询、设备档案查询、待办事件处理、检查记录查询等。 5系统硬件配置
六结语 电能管理系统的作用是通过对用电设备消耗的电能进行分项计量,实现对内部电能消耗的深入监测和管理,从而节能提高效率。电能管理系统附着在配电系统上,因此安装电能管理系统首先对配电设备的现状和系统的最终要求进行详细分析,明确方案配置,然后选择测量点,对终端设备进行适当的测量改造,通过必要的网络通信实现各回路电能的实时采集、分项统计分析和报告,最终达到管理的目的。 【参考文献】 【1】石炳君.机关大楼老旧配电设备加装电能管理系统的方法 【2】任致程,周中.电力电测数字仪表原理与应用指南[M] . 北京:中国电力出版社,2007. 【3】周中.智能电网用户端电力监控与电能管理系统 产品选型及解决方案[M] .北京:机械工业出版社,2012. 【4】安科瑞企业微电网设计与应用手册.2022.05 |






