|
摘 要:随着分布式光伏装机容量的快速增长,电网逆流问题日益凸显。当光伏发电功率大于本地负荷功率时,多余的电力会流入电网,形成逆流。这不仅会导致电网系统电压升高,影响供电质量,还可能损坏用户侧和光伏发电侧设备,威胁电网系统的安全稳定运行。加之国家能源局发布的《分布式光伏发电开发建设管理办法》中,提出大型工商业分布式光伏原则上选择全部自发自用模式。根据这一政策,大型工商业分布式光伏项目中防逆流的需求应运而生。 关键词:分布式光伏;自发自用;主从机防逆流保护;GOOSE通讯;安科瑞丁一187+6159=9093。
1.项目概况 丰城曲江煤炭开发公司分布式光伏项目,位于江西省宜春市,装机容量为5.8MW,采用自发自用、余电不上网模式。 丰城曲江煤炭开发公司分布式光伏项目为35/10kV项目,35kV侧采用两路电源单母线分段系统,一路进线引自国网线路仙曲线进线,一路进线引自用户自有电厂开关电曲线进线。本项目共设置1个10kV并网点,并网点下带3个光伏升压箱变,仙曲线进线距离并网点100-200m,电曲线进线距离并网点6公里。针对接入的光伏,该项目要求自发自用、余电不上网,逆流检测点设置在曲江变电所35kV仙曲线进线、电厂变电所仙电线进线。根据上述基本条件结合原施工图设计制定以下通过防逆流主从机实现光伏并网不上网。
2.项目需求 测量仙曲线进线和电曲线进线两路进线处功率,当市电下网功率过低时,逐级跳开3个光伏升压箱变低压侧开关;当市电下网功率逐渐恢复时,手动合上3个光伏升压箱变低压侧开关。
3.产品方案 本项目根据用户需求采用AM5SE-PV系列主从机防逆流保护,通过GOOSE通讯方案实现防逆流刚性跳闸,详细方案如下。
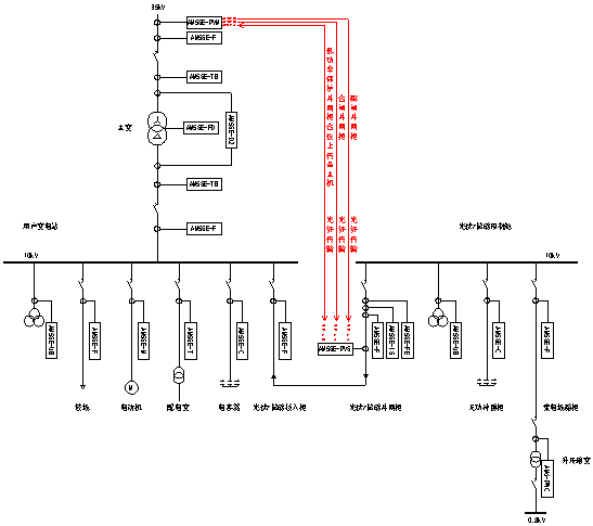
如图为本项目产品配置图,在电厂变电所仙电线进线配置1台防逆流主机1#AM5SE-PVM-GOOSE采集进线电流、电压,计算功率Ppcc1;在曲江变电所35kV仙曲线进线配置1台防逆流主机2#AM5SE-PVM-GOOSE采集进线电流、电压,计算功率Ppcc2;在升压箱变低压侧配置1台防逆流从机AM5SE-PVS-GOOSE用于分合低压侧开关。防逆流主机和防逆流从机之间通过光口交换机经由移动公司基站光纤网络组成一个局域网。 刚性防逆流保护策略如下: 1)电厂变电所仙电线进线: 当Ppcc1 当Ppcc1 当Ppcc1 2)曲江变电所仙曲线进线: 当Ppcc2 当Ppcc2 当Ppcc2 4.项目拓扑方案 1) 方案拓扑图 2)防逆流保护 3) 项目清单 5.现场安装图片 本项目防逆流主机和从机均采用壁挂箱方式安装,现场安装图片如下。 6.产品关联方案 除上述GOOSE通讯方案外,AM5SE-PV系列还支持光纤直跳方案,主要分为AM5SE-PVM主机、AM5SE-PVS从机、AM5SE-PVS2从机,主机和从机之间通过光纤连接,可选择多模或单模光纤,多模光纤适用于市电进线和并网点距离100m-1.5km,单模光纤适用于市电进线和并网点距离1.5km-20km。其中AM5SE-PVS从机适用于单市电进线,AM5SE-PVS2适用于多市电进线,以下针对单市电进线和双市电进线应用场景如下: 单市电进线光纤直跳防逆流 双市电进线光纤直跳防逆流 7.结语 本文介绍的防逆流主从机,可以在光伏高发时或者大负荷切除时,分阶段跳开光伏升压箱变,实现光伏并网不上网。同时GOOSE通讯方案和光纤直跳方案针对市电进线和并网点较远时,能够保障电流电压信号采集,防逆流功能准确动作,有助于后续大型工商业光伏项目自发自用、余电不上网模式的实施。 |






